首页
定制家居
壹号娱乐厨柜
壹号娱乐衣柜
壹号娱乐木门
阳台卫浴
桔家
壹号娱乐厨电
智小金智能家居
家具软装
壹号娱乐精装
走进壹号娱乐
关于壹号娱乐
全球的壹号娱乐
品牌历史
壹号娱乐智能
厨房&家
壹号娱乐服务
全球网点
服务流程
订单查询
壹号娱乐服务季
十年品质保障
常见问题
在线反馈
产品使用说明
资讯中心
品牌资讯
中国爱厨日
投资者关系
公司治理
公司公告
互动交流
加入壹号娱乐
加盟壹号娱乐
壹号娱乐直聘
海外招商
您好 欢迎光临壹号娱乐家居官网!
招商加盟
全国客服热线:400-1868-666
首页
定制家居
壹号娱乐厨柜
壹号娱乐衣柜
壹号娱乐木门
阳台卫浴
桔家
壹号娱乐厨电
智小金智能家居
家具软装
壹号娱乐精装
走进壹号娱乐
关于壹号娱乐
全球的壹号娱乐
品牌历史
壹号娱乐智能
厨房&家
壹号娱乐服务
全球网点
服务流程
订单查询
壹号娱乐服务季
十年品质保障
常见问题
在线反馈
产品使用说明
资讯中心
品牌资讯
中国爱厨日
投资者关系
公司治理
公司公告
互动交流
加入壹号娱乐
加盟壹号娱乐
壹号娱乐直聘
海外招商
全球网点
服务流程
订单查询
壹号娱乐服务季
十年品质保障
常见问题
在线反馈
产品使用说明
当前位置:
壹号娱乐服务
>
产品使用说明
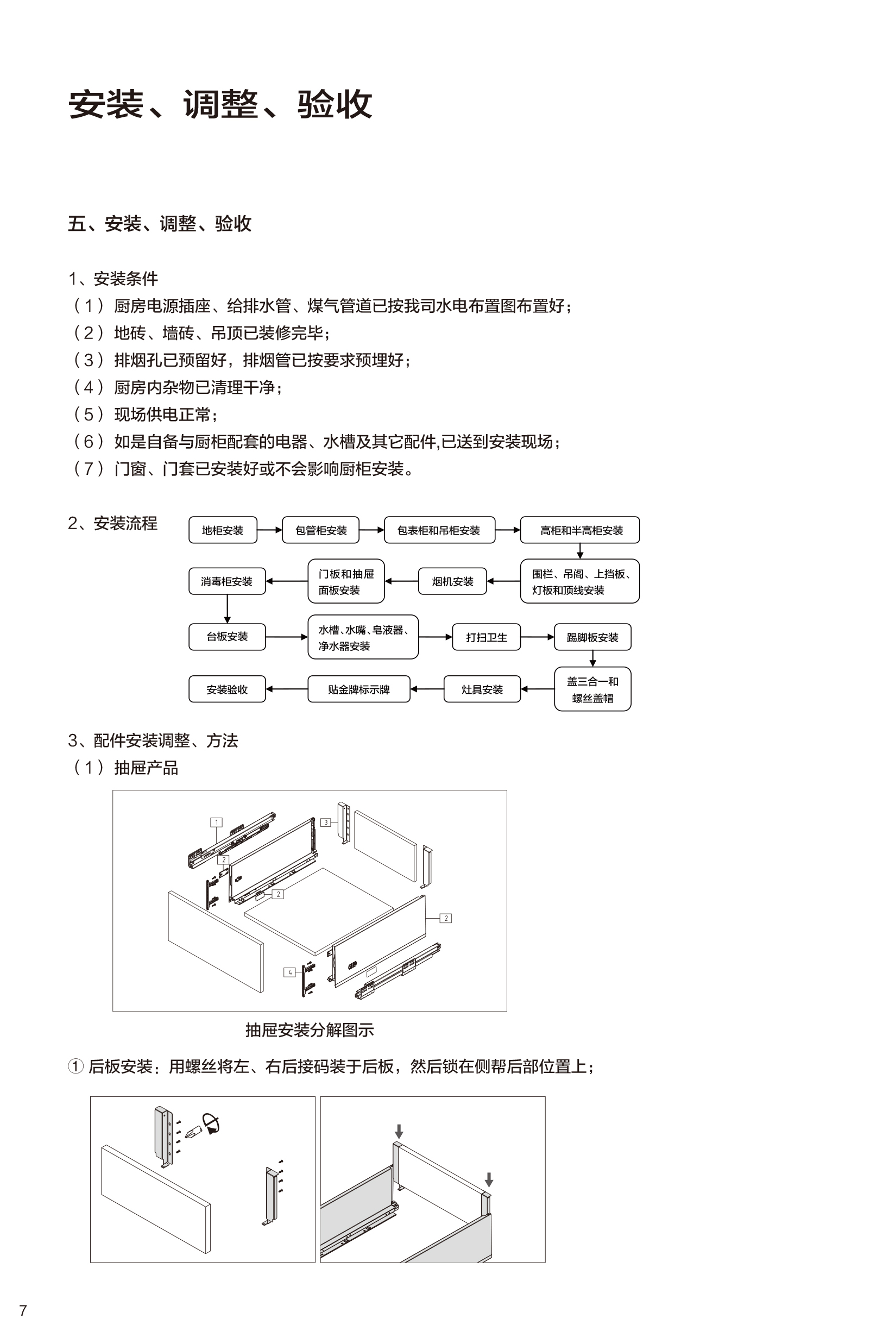
壹号娱乐厨柜使用说明书
壹号娱乐衣柜使用说明书
壹号娱乐木门使用说明书